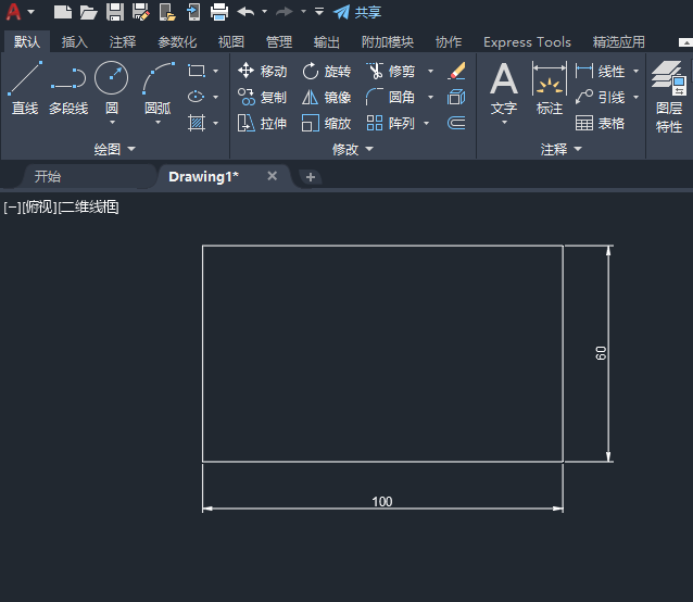
1、打开CAD软件,绘制一个100x60mm的矩形出来。
2、点击偏移工具,输入OFFSET命令,如下图:
3、设置偏移的距离:2,空格。
4、然后就可以向内偏移。如下图:
5、这样就完成了向里缩2mm,把外面的删除掉即可。
1、打开CAD软件,绘制一个100x60mm的矩形出来。
2、点击偏移工具,输入OFFSET命令,如下图:
3、设置偏移的距离:2,空格。
4、然后就可以向内偏移。如下图:
5、这样就完成了向里缩2mm,把外面的删除掉即可。
国外网站服务器租用(租用国外服务器一般多少钱) 在当今数字化时代,越来越多的企业和个人需要建立自己的网站来展示产品、服务或分享信息。而选择租用国外服务器成为了许多人的一个选择。那么,租用国外服务器一般需要多少钱呢?本文将为您详细介绍。 一、影响国外服务器租用价格的因素
云计算服务器价格(云计算服务器价格多少) 在当今数字化时代,云计算服务器已经成为企业和个人构建信息化基础设施的重要选择。然而,云计算服务器价格的多样性和复杂性使得许多人在选择时感到困惑。本文将深入探讨云计算服务器价格的相关因素,帮助您更好地了解这一领域。 一、云计算服务器
阿里云海外服务器(阿里云海外服务器可以访问谷歌) 在当今数字化时代,云计算服务已经成为企业和个人构建互联网应用的重要基础设施。阿里云作为全球领先的云计算服务提供商,其海外服务器服务为用户提供了更广泛的选择和更优质的性能。本文将详细介绍阿里云海外服务器以及其能够访问谷歌的相关内容。
石家庄服务器托管(河北服务器托管) 一、什么是服务器托管 服务器托管是指将自己的服务器设备放置在专业的数据中心机房,由数据中心提供电力、网络、空调等基础设施以及专业的运维管理服务,用户可以远程对服务器进行管理和维护。服务器托管可以为企业节省建设机房的成本和精力,同时也可以
服务器密码忘记了怎么办(服务器密码忘记了怎么办呢) 一、确认密码遗忘情况 当您发现无法登录服务器时,首先要确认是否真的忘记了密码。有时候可能是因为输入错误、网络问题或其他原因导致登录失败。您可以尝试多次输入密码,确保不是因为粗心大意而导致的错误。如果经过多次尝试仍然无法登
阿里云服务器升级(阿里云服务器升级操作系统) 一、阿里云服务器升级操作系统的重要性 在当今数字化时代,服务器的性能和安全性对于企业和个人的业务运营至关重要。阿里云作为全球领先的云计算服务提供商,为用户提供了强大的服务器资源。然而,随着技术的不断发展和安全需求的增加,及时升
动态 IP 解析服务器的简单介绍 在当今数字化的时代,网络连接的稳定性和灵活性对于各种应用和服务至关重要。动态 IP 解析服务器作为一种重要的网络技术,为解决动态 IP 地址带来的问题提供了有效的解决方案。本文将对动态 IP 解析服务器进行详细的介绍,帮助您更好地理解其工作原理、应用场景和优势。
云服务器哪个好用 在当今数字化时代,云服务器已经成为许多企业和个人的首选。然而,面对众多的云服务器提供商,选择一个适合自己需求的云服务器并非易事。本文将对几个知名的云服务器进行分析和比较,帮助您做出更明智的选择。 亚马逊 AWS 亚马逊 AWS(Amazon Web Services)是全球
SaaS 服务器(SaaS 平台服务器) SaaS(Software as a Service)服务器,即软件即服务平台服务器,是云计算时代的一种重要应用模式。它为企业和用户提供了一种便捷、高效、灵活的软件使用方式,无需在本地安装和维护软件,只需通过网络访问即可使用各种应用程序。本文将详细介绍 SaaS 服务器的相关知
日本代理服务器(日本代理服务器有哪些) 在当今数字化的时代,代理服务器在网络世界中扮演着重要的角色。日本作为一个科技发达的国家,其代理服务器也备受关注。本文将详细介绍日本代理服务器的相关知识,并探讨一些常见的日本代理服务器。 一、什么是日本代理服务器 代理服务器是一